Коробка отбора мощности CTM096A1

A.M.P.hydraulic
CTM096A1
99263,95
р.
КОМ CTM096A1 для грузовиков SCANIA с КПП GR900/GRH900/GR900R. Крутящий момент 530 Н·м, мощность 39 кВт (53 л.с.). Левое вращение, крепление ISO. Надежное решение для гидрооборудования. Гарантия 12 месяцев.

Коробки отбора мощности: на Scania

Крепление: ISO

Описание
Характеристики
Дополнительная информация
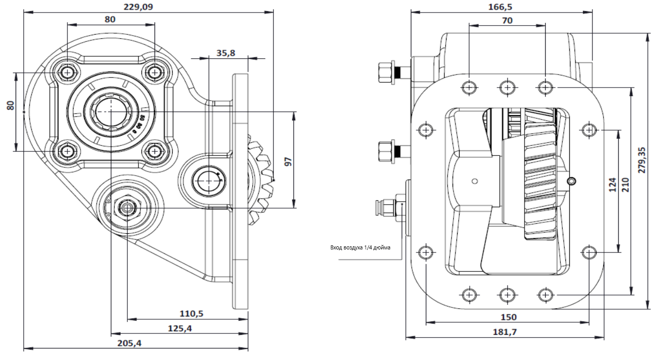
Схема

Описание

Коробка отбора мощности CTM096A1 — профессиональное решение для грузовиков SCANIA серии GR.
Основные преимущества:
✔ Совместимость с КПП SCANIA GR900/GRH900/GR900R
✔ Высокий крутящий момент 530 Н·м
✔ Мощность 39 кВт (53 л.с.)
✔ Левое вращение — для специальных применений
✔ Компактный вес 14,9 кг
Применение:
➔ Грузовые автомобили SCANIA
➔ Спецтехника с КПП GR серии
➔ Гидравлические системы

Характеристики

Технические параметры:
▪ Вес: 14,9 кг
▪ Выход под насос: 4 болта ISO
▪ Вращение: Левое
▪ Крутящий момент: 530 Н·м
▪ Мощность: 39 кВт (53 л.с.)
▪ Передаточное число: 1:1,18
▪ Монтажный фланец: Правый
Совместимые КПП SCANIA:
▸ GR900, GRH900, GR900R
Артикул: CTM096A1
Производитель: A.M.P. hydraulic

Дополнительная информация

🚚 Доставка:

💳 Оплата:

📞 Как заказать?

🏆 Наши преимущества:
  • 18 лет на рынке гидравлики. Собственное производство. Гарантия 12 месяцев. Техническая поддержка. О нашей компании →

Схема