Коробка отбора мощности CTM081A1

A.M.P.hydraulic
CTM081A1
84169,00
р.
Коробка отбора мощности CTM081A1 предназначена для коммерческой техники MERCEDES с КПП серии G3 (G3-32 - G3-61). Обеспечивает передачу мощности 28 кВт (38 л.с.) с крутящим моментом 250 Н·м. Надежная конструкция для тяжелых условий эксплуатации. Гарантия 12 месяцев. Доставка по всей России.

Коробки отбора мощности: на Mercedes

Крепление: ISO

Описание
Характеристики
Дополнительная информация
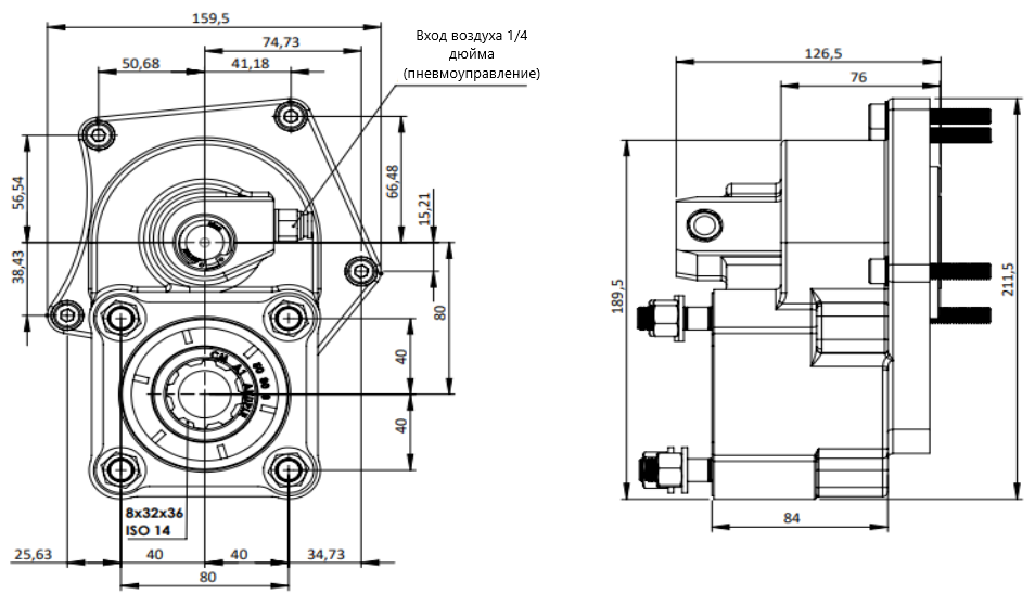
Схема

Описание

Коробка отбора мощности CTM081A1 от A.M.P. hydraulic предназначена для установки на коммерческую технику MERCEDES с коробками передач серии G3 (от G3-32 до G3-61). Обеспечивает эффективную передачу мощности от двигателя к дополнительному оборудованию (гидронасосы и др.).
Ключевые преимущества:
• Надежная конструкция для тяжелых условий эксплуатации
• Простота монтажа и обслуживания
• Мощность передачи - 28 кВт (38 л.с.)
• Оптимальный крутящий момент 250 Н·м
• Усиленная защита от перегрузок
• Гарантия 12 месяцев
Сфера применения:
• Грузовые автомобили MERCEDES серии G3
• Спецтехника с гидравлическим оборудованием
• Коммунальная и строительная техника
Наши преимущества:
• 18 лет опыта на рынке гидравлики
• Быстрая доставка по всей России
• Профессиональная установка за 1 день

Характеристики

Основные параметры:
• Артикул: CTM081A1
• Производитель: A.M.P. hydraulic
• Вес: 9,7 кг
• Крутящий момент: 250 Н·м
• Мощность: 28 кВт (38 л.с.) при 1000 об/мин
• Передаточное число: 1:1,32
• Вращение насоса: Правое
• Монтажный фланец: Задний
• Тип крепления насоса: 4 болта ISO
Совместимость:
• MERCEDES G3-32, MERCEDES G3-36, MERCEDES G3-40, MERCEDES G3-45, MERCEDES G3-50, MERCEDES G3-55, MERCEDES G3-60, MERCEDES G3-61

Дополнительная информация

🚚 Доставка:

💳 Оплата:

📞 Как заказать?

🏆 Наши преимущества:
  • 18 лет на рынке гидравлики. Собственное производство. Гарантия 12 месяцев. Техническая поддержка. О нашей компании →

Схема