Коробка отбора мощности LKF50DF12JZH8

A.M.P.hydraulic
LKF50DF12JZH8
22966,87
р.
КОМ LKF50DF12JZH8 для BEIBEN, DAYUN, KAMAZ, MAZ. Крутящий момент 350 Н·м, мощность 54 л.с. Совместима с КПП Fast-Gear JZ. Полная комплектация (вал + монтажный набор). Гарантия 12 мес. Доставка по РФ.

Коробки отбора мощности: на Fast-Gear

Крепление: ISO

Описание
Характеристики
Дополнительная информация
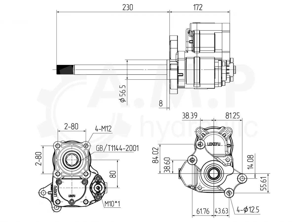
Схема

Описание

КОМ LKF50DF12JZH8 - профессиональное решение для коммерческой техники. Обеспечивает надежную передачу мощности на навесное оборудование.
Преимущества:
  • Универсальная совместимость с BEIBEN, DAYUN, KAMAZ, MAZ
  • Высокая мощность 54 л.с. (40 кВт)
  • Надежная конструкция из качественных материалов
  • Полная комплектация для быстрого монтажа
  • Оптимальный крутящий момент 350 Н·м
Применение:
  • Грузовые автомобили
  • Коммунальная техника
  • Специальное оборудование

Характеристики

Основные параметры:
  • Модель: LKF50DF12JZH8
  • Производитель: A.M.P.hydraulic
  • Вес: 11,5 кг
  • Выход под насос: 4 болта ISO
  • Вращение насоса: Правое
  • Крутящий момент: 350 Н·м
  • Мощность при 1000 об/мин: 40 кВт (54 л.с.)
  • Передаточный момент: 1:1,22
Совместимые КПП Fast-Gear JZ:
  • F12JZ22
  • F12JZ24DD
  • F12JZ24
  • F16JZ26A (32 шлица без ретарды)
Комплектация:
  • Вал отбора мощности
  • Монтажный набор

Дополнительная информация

🚚 Доставка:

💳 Оплата:

📞 Как заказать?

🏆 Наши преимущества:
  • 18 лет на рынке гидравлики. Собственное производство. Гарантия 12 месяцев. Техническая поддержка. О нашей компании →

Схема