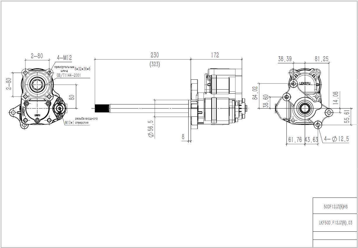
Коробка отбора мощности LKF50DF12JZRH8

A.M.P.hydraulic
LKF50DF12JZRH8
22650,25
р.
Коробка отбора мощности (КОМ) LKF50DF12JZRH8 для BEIBEN, DAYUN, KAMAZ. Совместима с КПП Fast-Gear JZ (32 шлица с ретардером). Крутящий момент 350 Н·м, мощность 54 л.с. Полная комплектация. Гарантия 12 мес.

Коробки отбора мощности: на Fast-Gear

Крепление: ISO

Описание
Характеристики
Дополнительная информация
Схема

Описание

КОМ LKF50DF12JZRH8 - современное решение для коммерческого транспорта с ретардером. Обеспечивает стабильную работу навесного оборудования.
Преимущества:
  • Совместимость с ретардером (32 шлица)
  • Мощность 54 л.с. при 350 Н·м
  • Усиленная конструкция для тяжелых условий
  • Полная комплектация (вал + крепеж)
  • Оптимальное передаточное число 1:1,22
Применение:
  • Грузовые автомобили с ретардером
  • Спецтехника
  • Коммунальное оборудование

Характеристики

Основные параметры:
  • Модель: LKF50DF12JZRH8
  • Производитель: A.M.P.hydraulic
  • Вес: 11,6 кг
  • Выход: 4 болта ISO
  • Вращение: правое
  • Крутящий момент: 350 Н·м
  • Мощность: 40 кВт (54 л.с.)
Совместимые КПП Fast-Gear JZ:
  • F12JZ24DD
  • F12JZ24
  • F16JZ26A (32 шлица с ретардером)
Комплектация:
  • Вал отбора мощности
  • Монтажный комплект

Дополнительная информация

🚚 Доставка:

💳 Оплата:

📞 Как заказать?

🏆 Наши преимущества:
  • 18 лет на рынке гидравлики. Собственное производство. Гарантия 12 месяцев. Техническая поддержка. О нашей компании →

Схема